
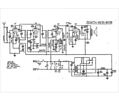
Marque :
Zenith
Modèle :
4 v 59
Type appareil :
récepteur à tubes
Année :
1935
Pays d'origine :
États-Unis
