
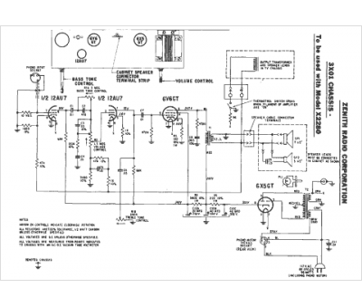
Marque :
Zenith
Modèle :
3X01
Type appareil :
récepteur à tubes
Année :
1956
Pays d'origine :
États-Unis
