
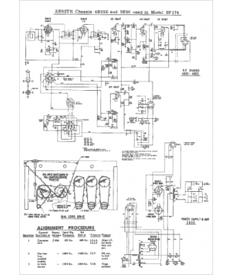
Marque :
Zenith
Modèle :
3B30
Type appareil :
récepteur à tubes
Année :
1959
Pays d'origine :
États-Unis
