
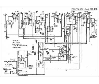
Marque :
Zenith
Modèle :
245
Type appareil :
récepteur à tubes
Année :
1932
Pays d'origine :
États-Unis
