
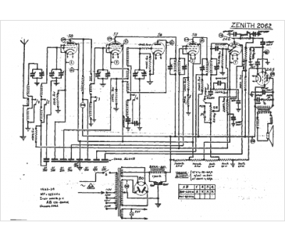
Marque :
Zenith
Modèle :
2062
Type appareil :
récepteur à tubes
Année :
1933
Pays d'origine :
États-Unis
