
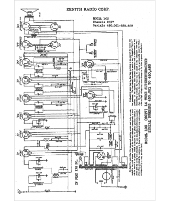
Marque :
Zenith
Modèle :
2017
Type appareil :
récepteur à tubes
Année :
1931
Pays d'origine :
États-Unis
