
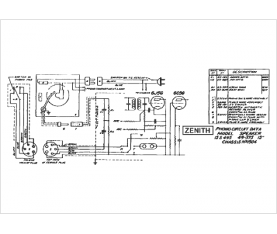
Marque :
Zenith
Modèle :
1504
Type appareil :
récepteur à tubes
Année :
1940
Pays d'origine :
États-Unis
