
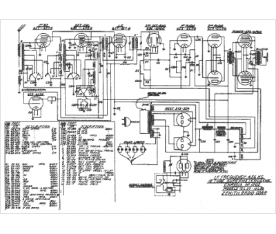
Marque :
Zenith
Modèle :
12L58
Type appareil :
récepteur à tubes
Année :
1936
Pays d'origine :
États-Unis
