
Marque :
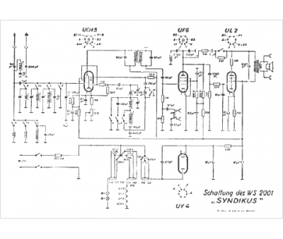
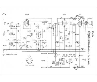
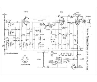
Wobbe
Modèle :
WS 2001 Syndikus
Type appareil :
récepteur à tubes
Pays d'origine :
Allemagne
