
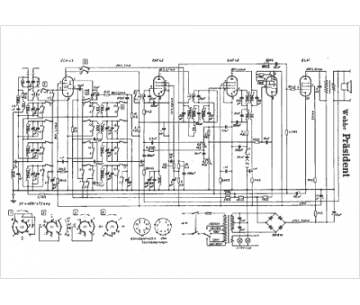
Marque :
															Wobbe																																															
														Modèle :
																Prasident																																	
															Type appareil :
																récepteur à tubes
															Pays d'origine :
																Allemagne
															