
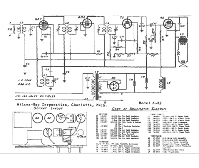
Marque :
Wilcox-Gay
Modèle :
A-52
Type appareil :
récepteur à tubes
Année :
1939
Pays d'origine :
États-Unis
