
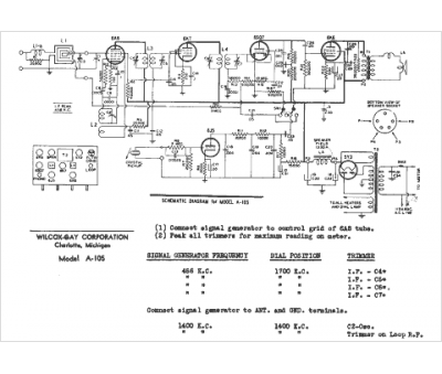
Marque :
															Wilcox-Gay																																															
														Modèle :
																A-105																																	
															Type appareil :
																récepteur à tubes
															Année :
																1942
															Pays d'origine :
																États-Unis
															




