
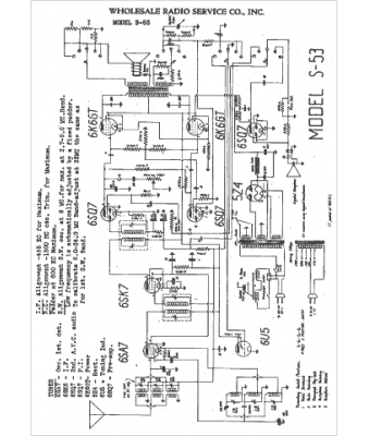
Marque :
Wholesale RS
Modèle :
S-53
Type appareil :
récepteur à tubes
Année :
1942
Pays d'origine :
États-Unis
