
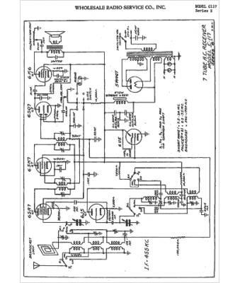
Marque :
Wholesale RS
Modèle :
C-117B
Type appareil :
récepteur à tubes
Année :
1940
Pays d'origine :
États-Unis
