Retour à l'accueil
 
 
Recherche de schémas
Collection CD/DVD

Service schémathèque 

4 documents correspondent à votre recherche.

Caractéristiques de l'appareil
Marque :
Westinghouse
Modèle :
V-2508-13
Type appareil :
récepteur à tubes
Année :
1960
Pays d'origine :
États-Unis
4 documents correspondant à cet appareil
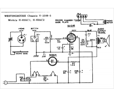
Schéma Westinghouse H-54ACS1, H-54ACS2, Westinghouse V-2508-3, V-2508-7, V-2508-13, V-2508-11, V-2508-6, V-2508-5, V-2508-1, V-2508-02, V-2508-04
4 pages.
Document présent dans Rétro-docs 4 Acheter
En ligne, disponible en téléchargement Télécharger
Schéma Westinghouse H-61MP2, H-61MP3, Westinghouse V-2508-3, V-2508-7, V-2508-13, V-2508-11, V-2508-6, V-2508-5, V-2508-1, V-2508-02, V-2508-04
3 pages.
Document présent dans Rétro-docs 4 Acheter
En ligne, disponible en téléchargement Télécharger
Schéma Westinghouse H-62MPS1A, H-62MPS2A, H-62MPS3A, Westinghouse H-69ACS1A, Westinghouse H-75AC1A, H-75AC2A, Westinghouse H-96AC1, H-96AC2, Westinghouse V-2507-4, V-2507-7, V-2507-11, V-2507-12, V-2507-14, V-2507-8, V-2507-6, V-2
2 pages.
Document présent dans Rétro-docs 4 Acheter
En ligne, disponible en téléchargement Télécharger
Schéma Westinghouse H-76ACS1, H-76ACS2, Westinghouse V-2508-3, V-2508-7, V-2508-13, V-2508-11, V-2508-6, V-2508-5, V-2508-1, V-2508-02, V-2508-04
1 page
Document présent dans Rétro-docs 4 Acheter
En ligne, disponible en téléchargement Télécharger
Vous pouvez regrouper les téléchargements Tout télécharger
La consultation de cet espace schémathèque est en accès libre.