Retour à l'accueil
 
 
Recherche de schémas
Collection CD/DVD

Service schémathèque 

4 documents correspondent à votre recherche.

Caractéristiques de l'appareil
Marque :
Westinghouse
Modèle :
V-2395-2
Type appareil :
récepteur à tubes
Année :
1959
Pays d'origine :
États-Unis
4 documents correspondant à cet appareil
Schéma Westinghouse H-681T5, H-682T5, H-683T5, Westinghouse V-2395-1, V-2395-1A, V-2395-2, V-2395-3, V-2395-7, V-2395-8
1 page
Document présent dans Rétro-docs 4 Acheter
En ligne, disponible en téléchargement Télécharger
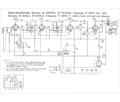
Schéma Westinghouse H-746T5A, H-747T5A, Westinghouse H-808L5, H-809L5, Westinghouse V-2395-1, V-2395-1A, V-2395-2, V-2395-3, V-2395-7, V-2395-8
1 page
Document présent dans Rétro-docs 4 Acheter
En ligne, disponible en téléchargement Télécharger
Schéma Westinghouse H-748T5, H-749T5, H-750T5, Westinghouse H-753L5, H-755L5, Westinghouse V-2395-1, V-2395-1A, V-2395-2, V-2395-3, V-2395-7, V-2395-8
1 page
Document présent dans Rétro-docs 4 Acheter
En ligne, disponible en téléchargement Télécharger
Schéma Westinghouse H-820L5, H-821L5, Westinghouse V-2395-1, V-2395-1A, V-2395-2, V-2395-3, V-2395-7, V-2395-8
1 page
Document présent dans Rétro-docs 4 Acheter
En ligne, disponible en téléchargement Télécharger
Vous pouvez regrouper les téléchargements Tout télécharger
La consultation de cet espace schémathèque est en accès libre.