
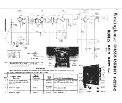
Marque :
Westinghouse
Modèle :
V-2237-2
Type appareil :
récepteur à tubes
Année :
1955
Pays d'origine :
États-Unis
