
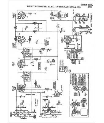
Marque :
Westinghouse
Modèle :
M-102
Type appareil :
récepteur à tubes
Année :
1942
Pays d'origine :
États-Unis
