
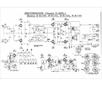
Marque :
Westinghouse
Modèle :
H-R1200 A H-R1204
Type appareil :
récepteur à tubes
Pays d'origine :
États-Unis
