
Marque :
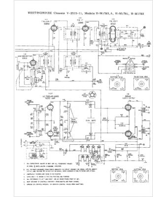
Westinghouse
Modèle :
H-M1781
Type appareil :
récepteur à tubes
Pays d'origine :
États-Unis
