
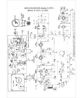
Marque :
Westinghouse
Modèle :
H-715T5
Type appareil :
récepteur à tubes
Pays d'origine :
États-Unis
