
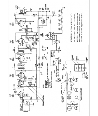
Marque :
Western Auto
Modèle :
DC2989A
Type appareil :
récepteur à tubes
Pays d'origine :
États-Unis
