
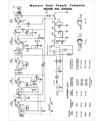
Marque :
Western Auto
Modèle :
D-3465A
Type appareil :
récepteur à tubes
Année :
1954
Pays d'origine :
États-Unis
