
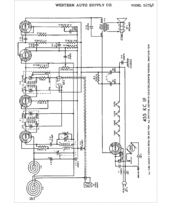
Marque :
Western Auto
Modèle :
D-2748
Type appareil :
récepteur à tubes
Année :
1949
Pays d'origine :
États-Unis
