
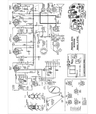
Marque :
Western Auto
Modèle :
D-2745
Type appareil :
récepteur à tubes
Année :
1948
Pays d'origine :
États-Unis
