
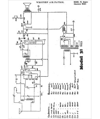
Marque :
Western Air
Modèle :
W220
Type appareil :
récepteur à tubes
Année :
1933
Pays d'origine :
États-Unis
