
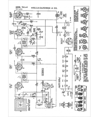
Marque :
Wells Gardner
Modèle :
7D11
Type appareil :
récepteur à tubes
Année :
1942
Pays d'origine :
États-Unis
