
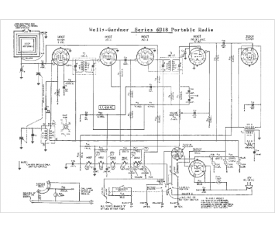
Marque :
Wells Gardner
Modèle :
6B18
Type appareil :
récepteur à tubes
Année :
1941
Pays d'origine :
États-Unis
