
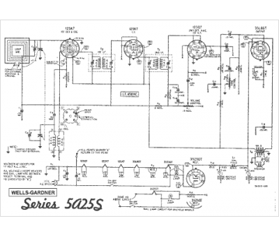
Marque :
Wells Gardner
Modèle :
5A25S
Type appareil :
récepteur à tubes
Année :
1940
Pays d'origine :
États-Unis
