
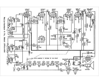
Marque :
Wells Gardner
Modèle :
37T14-600
Type appareil :
récepteur à tubes
Année :
1946
Pays d'origine :
États-Unis
