
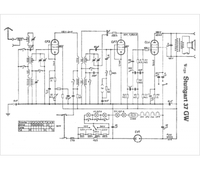
Marque :
Wega
Modèle :
Stuttgart 37 GW
Type appareil :
récepteur à tubes
Pays d'origine :
Allemagne
