
Marque :
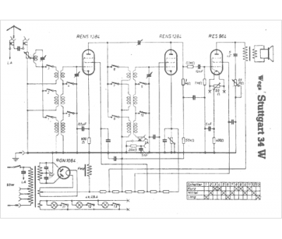
Wega
Modèle :
Stuttgart 34 W
Type appareil :
récepteur à tubes
Pays d'origine :
Allemagne
