
Marque :
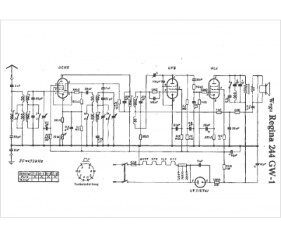
Wega
Modèle :
Regina 244 GW
Type appareil :
récepteur à tubes
Pays d'origine :
Allemagne
