
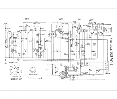
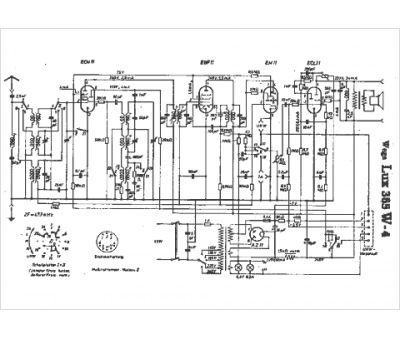
Marque :
Wega
Modèle :
Lux 365 W4
Type appareil :
récepteur à tubes
Pays d'origine :
Allemagne
