
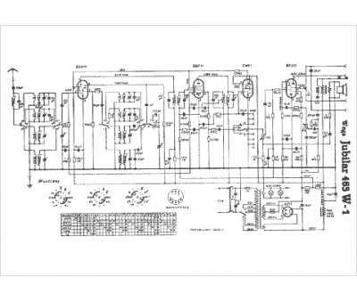
Marque :
Wega
Modèle :
Jubilar 465 W1
Type appareil :
récepteur à tubes
Pays d'origine :
Allemagne
