
Marque :
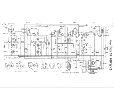
Wega
Modèle :
Fox 52 466 W2
Type appareil :
récepteur à tubes
Pays d'origine :
Allemagne
