
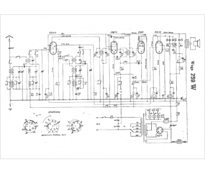
Marque :
Wega
Modèle :
759 W
Type appareil :
récepteur à tubes
Pays d'origine :
Allemagne
