
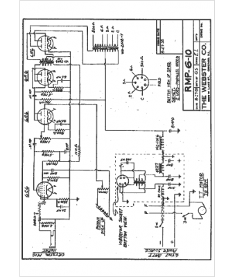
Marque :
Webster
Modèle :
RMP-6-10
Type appareil :
récepteur à tubes
Année :
1935
Pays d'origine :
États-Unis
