
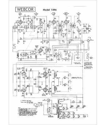
Marque :
Webcor
Modèle :
1296
Type appareil :
récepteur à tubes
Année :
1963
Pays d'origine :
États-Unis
