Retour à l'accueil
 
 
Recherche de schémas
Collection CD/DVD

Service schémathèque 

2 documents correspondent à votre recherche.

Caractéristiques de l'appareil
Marque :
Wavetek
Modèle :
166
Type appareil :
appareil de mesure
2 documents correspondant à cet appareil
no photo
Wavetek 166
Langue  : anglais
Document mesure accessible en prêt Demander
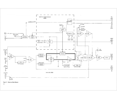
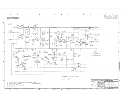
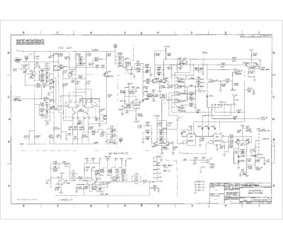
Notice Wavetek 166
26 pages.
Document présent dans Rétro-docs 6 Acheter
En ligne, disponible en téléchargement Télécharger
La consultation de cet espace schémathèque est en accès libre.