
Marque :
Watt
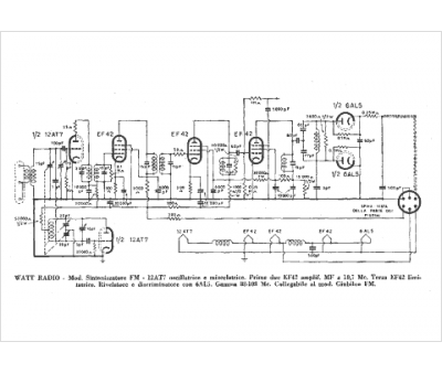
Modèle :
Sintonizzatore FM
Type appareil :
récepteur à tubes
Pays d'origine :
Italie
