
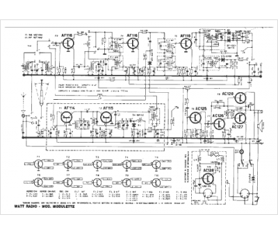
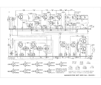
Marque :
Watt
Modèle :
Modulette
Type appareil :
récepteur à tubes
Pays d'origine :
Italie
