
Marque :
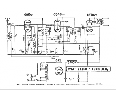
Watt
Modèle :
Cucciolo
Type appareil :
récepteur à tubes
Pays d'origine :
Italie
