
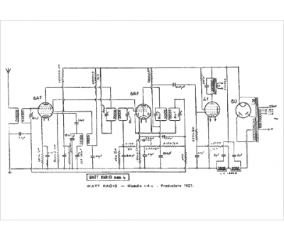
Marque :
Watt
Modèle :
4
Type appareil :
récepteur à tubes
Pays d'origine :
Italie
