
Marque :
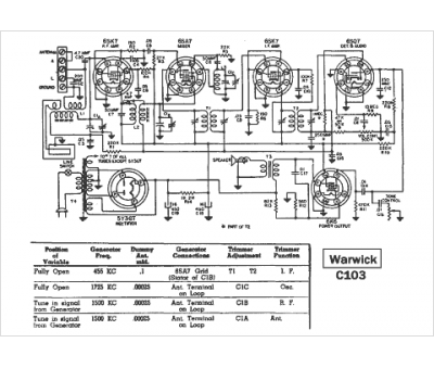
Warwick
Modèle :
C103
Type appareil :
récepteur à tubes
Année :
1947
Pays d'origine :
États-Unis
