
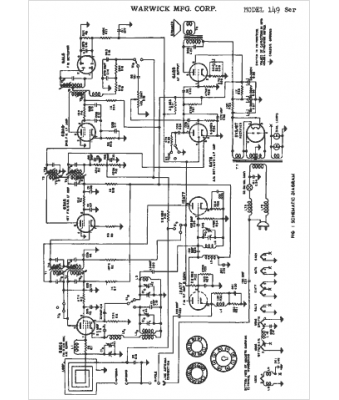
Marque :
Warwick
Modèle :
149
Type appareil :
récepteur à tubes
Année :
1949
Pays d'origine :
États-Unis
