
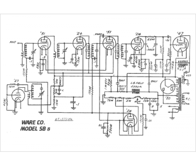
Marque :
Ware
Modèle :
SB 8
Type appareil :
récepteur à tubes
Pays d'origine :
Grande-Bretagne
