
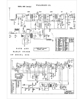
Marque :
Walgreen
Modèle :
660
Type appareil :
récepteur à tubes
Année :
1936
Pays d'origine :
États-Unis
