
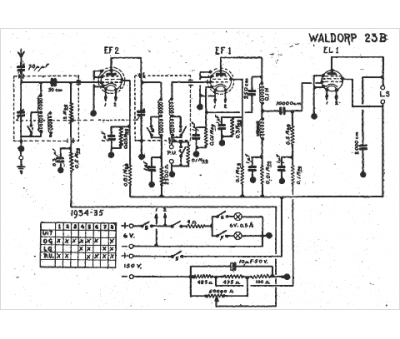
Marque :
Waldorp
Modèle :
23 b
Type appareil :
récepteur à tubes
Année :
1934
Pays d'origine :
Allemagne
