
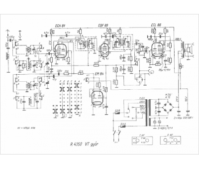
Marque :
VTR
Modèle :
R 4350
Type appareil :
récepteur à tubes
Pays d'origine :
Hongrie
